-
Dec 16, 2024Tipos de elementos de microfone: omnidirecionais e unidirecionaisOs elementos do microfone, comumente chamados de cápsulas de microfone, são componentes essenciais que convertem ondas sonoras em sinais elétricos. Eles vêm em vários tipos, inclui
-
Dec 16, 2024Parâmetros principais para avaliar o desempenho do microfoneOs microfones desempenham um papel crítico na captura de áudio e seu desempenho é definido por parâmetros técnicos importantes. Este guia explora as características essenciais, inc
-
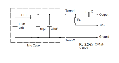
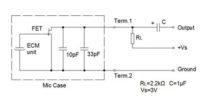
Dec 16, 2024Especificações de corrente e impedância do microfone de eletretoOs microfones condensadores de eletreto (ECMs) contam com um FET interno para conversão de impedância e amplificação de sinal, exigindo tensão de 1,5–6 Vcc. A corrente típica varia
-
Dec 09, 2024Resposta de frequência do microfone: diretrizes geraisA resposta de frequência de um microfone determina sua capacidade de manter uma sensibilidade consistente em diferentes frequências de áudio. Embora uma resposta de frequência plan
-
Dec 09, 2024Especificações gerais de microfones de eletretoAprenda sobre as especificações gerais das cápsulas de microfone de eletreto, com foco na sensibilidade e nos fatores de influência.
-
Dec 09, 2024Compreendendo a estrutura dos microfones de eletretoOs microfones de eletreto são amplamente utilizados por seu tamanho compacto, confiabilidade e capacidade de fornecer áudio de alta qualidade. Este blog explora os componentes estr
-
Dec 02, 2024Aplicações de microfones em comunicaçãoEste blog discute os recursos, problemas comuns e aplicações de microfones em tecnologias de comunicação. Abrange vários tipos de microfones, incluindo seus tamanhos mecânicos, sen
-
Dec 02, 2024Tipos de microfones: uma visão geral abrangenteOs microfones são dispositivos essenciais para a captação de som em diversas aplicações, desde produção musical e apresentações ao vivo até comunicação e transmissão. Eles vêm em u
-
Dec 02, 2024Por que os microfones produzem apitos de feedbackEste artigo explora o fenômeno do feedback do microfone, comumente reconhecido por seu som estridente, e suas causas subjacentes. Ele discute os impactos negativos do feedback nos
-
Nov 25, 2024Escolhendo a sensibilidade das cápsulas de microfone de eletretoO artigo fornece orientação sobre como escolher a sensibilidade correta para cápsulas de microfone de eletreto com base em diferentes aplicações. Ele destaca que a sensibilidade do
-
Nov 25, 2024Métodos de conexão para cápsulas de microfone de eletretoO artigo explica dois métodos principais de conexão para cápsulas de microfone de eletreto: saída de fonte e saída de dreno. A saída da fonte, usando três fios, fornece um circuito
-
Nov 25, 2024A importância dos cabos de cápsula de microfoneO artigo discute a importância de selecionar a fiação correta para cápsulas de microfone para minimizar a interferência eletromagnética (EMI) e o ruído. As cápsulas do microfone sã