
9750 Microfone unidirecional
Projetado para captura profissional de áudio, o9750 Microfone unidirecionalApresenta uma pegada compacta de 9,7 × 5,0mm com -47 ± 2dB sensibilidade, impedância de saída de 680Ω e uma resposta de frequência de 100-16000Hz. Seu padrão polar unidirecional garante a clareza da voz, isolando a principal fonte de som e reduzindo o ruído de fundo. Com uma relação sinal / ruído de 55dB e a capacidade de lidar com até 110dB SPL, essa cápsula do microfone é adequada para sistemas de fone de ouvido, microfones lavalier e outros dispositivos de comunicação ou gravação em que a qualidade consistente da fala e a integração compacta são fundamentais.
Características
- Alta sensibilidade: -47 ± 2dB garante que o som seja capturado com precisão.
- Design de captador cardióide para gravação de som focada em uma direção.
- Faixa de frequência ampla: 100Hz a 16000Hz para uma variedade de usos.
- O tamanho pequeno (9,7 x 5,0 mm) o torna perfeito para padrões com espaço limitado.
Aplicações
|
|
Cápsula de isolamento de ruído para fones de ouvido de comunicaçãoPerfeito para fones de ouvido de negócios, telecomunicações ou jogos, esse microfone unidirecional filtra o ruído ambiente para priorizar a clareza de voz. Seu tamanho pequeno e características elétricas estáveis garantem integração perfeita em projetos de fone de ouvido Slim, mantendo o conforto do usuário e a alta inteligibilidade da fala. |
Captura de áudio discreta para microfones lavalierEste elemento de microfone de voz compacto é ideal para sistemas Lavalier usados em entrevistas, apresentações e criação de conteúdo de vídeo. O padrão de captação direcional garante gravação precisa da fala, minimizando o ruído ambiental. Sua cápsula esbelta se encaixa com segurança em caixas de microfone de lapela, fornecendo áudio confiável, mesmo em configurações dinâmicas e móveis. |
especificações
Nome | Parâmetro |
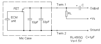
Modelo | ECM-F9750UL-47 |
Sensibilidade | -47 ± 2dB |
Impedância de saída | 680Ω |
Diretividade | uni |
Faixa de frequência | 100-16000Hz |
Máximo spl | 110dB |
Razão S/N. | 55dB |
Dimensões | 9,7*5,0mm |
![]() |
![]() |
![]() |
Por que nos escolher
Nosso compromisso com a sustentabilidade nos leva a reduzir o desperdício e a poluição durante todo o nosso processo de produção. Todo9750 Microfone unidirecionalé fabricado em uma instalação ambientalmente responsável, enquanto ainda oferece captura e desempenho consistentes de voz. Ajudamos seus dispositivos a permanecer conscientes ecológicos sem comprometer a qualidade.
Um par de
1045 Microfone de condensador eletretoO próximo artigo
9750 Microfone eletretoVocê pode gostar também
Enviar inquérito