
1463 Microfone de condensador eletreto
Projetado para precisão vocal e estabilidade de transmissão, o1463 Microfone de condensador eletretopossui um padrão polar unidirecional, alta sensibilidade de -38 ± 2dB e uma ampla resposta de frequência de 100-16000Hz. Sua impedância de saída de 2,2kΩ suporta integração suave nos circuitos de áudio profissional, enquanto a alta relação sinal / ruído de 70dB garante baixa distorção e saída clara. O design de 14 × 6,3 mm oferece um equilíbrio entre desempenho acústico e alojamento compacto, tornando -o ideal para uso em microfones de gravação de voz, dispositivos de criação de conteúdo e ferramentas de comunicação que requerem captação de som articulada.
Características
- Alta sensibilidade: -38 ± 2dB para gravar cuidadosamente e corretamente sons.
- A integração simples com uma ampla variedade de dispositivos é possível em 14 x 6,3 mm em tamanho pequeno.
- Maior SPL máximo: 110dB para preservar a qualidade do áudio em altos valores de SPL.
- Uma relação S/N de 70dB exige o ruído de fundo reduzido e a maior clareza.
Aplicações
|
|
Cápsula de gravação vocal de estúdioIdeal para microfones vocais usados em podcasting, canto ou gravação de dublagem, esta cápsula do microfone captura tons vocais naturais e minimizando o ruído de fundo. Sua coleta unidirecional oferece som focado de frente, garantindo reprodução vocal detalhada para estúdios profissionais ou domésticos. |
Captura de áudio de grau de transmissãoEsta cápsula do microfone condensador é adequada para microfones de transmissão em transmissão ao vivo, rádio ou uso na câmera. Com seus recursos de resposta de frequência ampla e rejeição de ruído, ele garante captura clara e consistente da fala, mesmo em ambientes de gravação dinâmica, ajudando os produtores a manter os padrões de áudio no nível da transmissão. |
especificações
Nome | Parâmetro |
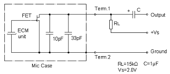
Modelo | ECM-B1463UML38-727 |
Sensibilidade | -38 ± 2dB |
Impedância de saída | 2.2KΩ |
Diretividade | uni |
Faixa de frequência | 100-16000Hz |
Máximo spl | 110dB |
Razão S/N. | 70dB |
Dimensões | 14*6,3mm |
![]() |
![]() |
![]() |
Por que nos escolher
Cada1463 Microfone de condensador eletretoé desenvolvido com foco em clareza de voz consistente e garantia de qualidade. Do design do diafragma ao controle da cadeia de suprimentos, nosso processo de produção enfatiza a estabilidade e a baixa variabilidade-ideal para engenheiros de áudio e marcas que buscam confiabilidade a longo prazo e uniformidade acústica em ambientes de gravação profissional.
Um par de
1668 Microfone de condensador eletretoO próximo artigo
1045 Microfone de condensador eletretoVocê pode gostar também
Enviar inquérito