
Microfone condensador de eletret de capacete
O microfone condensador de eletret de capacete possui um elemento eletreto de alta eficiência com uma sensibilidade de -45 ± 2dB e uma ampla faixa de frequência de 100-10000 Hz. O padrão de captação cardióide é ideal para minimizar o ruído do vento e do fundo, tornando -o perfeito para capacetes de ciclismo e aplicações semelhantes. O microfone incorpora um chip Panasonic e um projeto de habitação especializado com orifícios de ventilação, aumentando ainda mais seus recursos de redução de ruído. Com um SPL máximo de 115dB, ele pode capturar sons altos sem distorção, enquanto a relação S/N de 62dB garante áudio claro e de alta qualidade em ambientes desafiadores. Seu pequeno, compacto 9,7 × 9. 0 mm tamanho facilita a integração em sistemas de microfones montados em capacete, oferecendo desempenho superior sem comprometer o conforto ou o ajuste.
Características
- Alta sensibilidade para captura exata e abrangente de áudio: -45 ± 2dB.
- Para um desempenho sonoro completo, ampla faixa de frequência: 100-10000Hz.
- A integração fácil com muitos dispositivos requer dimensões compactas de 9,7x 9. 0 mm.
- Para áudio claro, mesmo em níveis de pressão sonora muito altos, o SPL máximo é de 115dB.
Aplicações


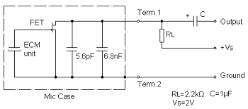
especificações
Nome | Parâmetro |
Modelo | ECM-EM212U |
Sensibilidade | -45 ± 2dB |
Impedância de saída | 2.2KΩ |
Diretividade |
Omni |
Faixa de frequência | 100-10000 hz |
Máximo spl | 115dB |
Razão S/N. | 62dB |
Dimensões | 9.7*9. 0 mm |
![]() |
![]() |
![]() |
Por que nos escolher
Quem procura um microfone premium e duradouro para o capacete ou equipamento esportivo seria adequado para o microfone condensador de eletret de capacete. Projetado para gravar áudio de alta qualidade com excelente clareza e detalhes, é flexível, simples de configurar, este é o microfone ideal, se você deseja um que corresponda ao seu estilo de vida ocupado e ofereça excelente qualidade de som. Obtenha o seu agora para começar a gravar um som incrível em suas viagens!
O próximo artigo
2583 Microfone de condensador eletretoVocê pode gostar também
Enviar inquérito