
1668 Microfone de condensador eletreto
Projetado para captura crítica de som, o1668 Microfone de condensador eletretoOferece uma sensibilidade de -46 ± 2dB, garantindo que ele consiga nuances vocais detalhadas. Seu padrão unidirecional reduz o ruído ambiente, aumentando a clareza em ambientes de gravação focados. Com uma faixa de frequência de 100-16000Hz e uma proporção de sinal / ruído de 68dB, esta cápsula do microfone fornece um piso de ruído com baixo teor de ruído, ideal para o uso de estúdio e no ar. A dimensão de 16 × 6,8 mm o torna adaptável para caixas maiores, mantendo o equilíbrio acústico. Seja integrado a microfones vocais profissionais ou sistemas de grau de transmissão, ele fornece consistentemente áudio de alta fidelidade.
Características
- -46 ± 2dB de sensibilidade permite gravação precisa do som como é.
- A performance musical completa exige uma ampla faixa de frequência que varia de 100Hz a 16000Hz.
- As dimensões devem ser de 16x6,8 mm se quiser uma interação simples com vários itens.
- Menos ruído de fundo e clareza melhorada seguem a partir de uma relação S/N de 68dB ou acima.
Aplicações
|
|
Elemento de gravação de estúdio de vozEssa cápsula é ideal para aplicações de microfone vocal de ponta, capturando tons quentes e precisos na gravação musical, podcasting e projetos de dublagem. Seu padrão cardioide ajuda a isolar a voz do falante, suprimindo reflexões da sala e som de fundo. |
Cápsula de microfone de transmissão ao vivoAdequado para configurações profissionais de transmissão, esta cápsula do microfone garante a coleta de voz consistente sob diferentes condições de estúdio. Sua resposta de frequência prolongada e alta SNR suportam a entrega de fala articulada em rádio, streaming ou apresentações televisionadas. |
especificações
Nome | Parâmetro |
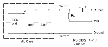
Modelo | ECM-B1668UL46-320 |
Sensibilidade | -46 ± 2dB |
Impedância de saída | 680Ω |
Diretividade | uni |
Faixa de frequência | 100-16000Hz |
Máximo spl | 110dB |
Razão S/N. | 68dB |
Dimensões | 16*6,8 mm |
![]() |
![]() |
![]() |
Por que nos escolher
O1668 Microfone de condensador eletretose destaca por seu piso de ruído excepcionalmente baixo, permitindo a captura de áudio limpa, mesmo em ambientes tranquilos. É produzido através de linhas de fabricação automatizadas com controle rigoroso de qualidade, garantindo desempenho consistente. Para engenheiros, técnicos ou marcas que exigem componentes estáveis e precisos de gravação de voz, essa cápsula oferece confiabilidade, precisão acústica e longevidade.
Um par de
2583 Microfone de condensador eletretoO próximo artigo
1463 Microfone de condensador eletretoVocê pode gostar também
Enviar inquérito