
Peças de microfone condensador unidirecional
Este microfone de condensador de eletreto unidirecional (4 x 1,5 mm) foi projetado para captura precisa de som em dispositivos com restrição de espaço. Com uma sensibilidade de -30 ± 2dB e uma resposta de frequência de 100Hz-16kHz, ela fornece áudio claro e preciso para microfones, intercomuns e sistemas ativados por voz. O design unidirecional do microfone minimiza o ruído ambiente, enquanto a blindagem de RF garante desempenho confiável em ambientes eletricamente barulhentos. Ele lida com até 100dB SPL sem distorção e sua impedância de saída de 2,2kΩ garante uma fácil integração em vários sistemas.
Características
- Design unidirecional: Capta o som de uma direção, minimizando o ruído de fundo e focando na fonte de áudio de destino.
- Alta sensibilidade: -30 ± 2dB A sensibilidade garante captura de som clara e precisa, mesmo em ambientes mais silenciosos.
- Ampla faixa de frequência: Resposta de frequência 100Hz -16KHz, ideal para gravação de voz e captura geral de som.
- Tamanho compacto: 4 x 1,5 mm, perfeito para dispositivos com restrição de espaço sem comprometer o desempenho.
- Máximo spl: 100dB, lida com altos níveis de pressão sonora, mantendo clareza em ambientes barulhentos.
- Impedância de saída: 2.2kΩ, garantindo fácil integração com vários sistemas e desempenho confiável.
Aplicações
|
|
Microfone de fone de ouvido Este microfone foi projetado para aplicações que requerem desgaste e estabilidade a longo prazo. Seu tamanho compacto e padrão de captação unidirecional garantem captura de voz clara e minimizando o ruído de fundo. O usuário pode se mover livremente sem interferência do microfone, tornando -o ideal para cenários como falar em público, hospedagem ou ensino, onde a interação e o movimento são essenciais. Mesmo durante o uso prolongado, o microfone permanece confortável, tornando -o perfeito para ambientes profissionais. |
Microfone mais lavalerO design compacto deste microfone o torna uma excelente opção para aplicações Lavalier. Ele pode ser facilmente preso a roupas, oferecendo alta escondição, tornando -o perfeito para entrevistas, reuniões ou apresentações. O padrão unidirecional garante captura de voz clara e, efetivamente, reduz o ruído ao redor. Devido ao seu tamanho pequeno, o usuário pode se mover livremente sem ser restrito pelo microfone, tornando-o ideal para situações em que o desgaste discreto e o áudio de alta qualidade são necessários, garantindo transmissão de voz clara e natural. |
especificações
Nome | Parâmetro |
Modelo | ECM-B4015UL -30 |
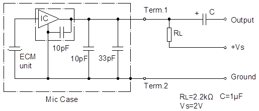
Sensibilidade | -30 ± 2dB |
Impedância de saída | 2.2kΩ |
Diretividade | Unidirecional |
Faixa de frequência | 100-16 khz |
Máximo spl | 100dB |
Razão S/N. | 60dB |
Dimensões | 4 x 1,5 mm |
![]() |
![]() |
![]() |
Por que nos escolher
Somos especializados em componentes de microfone de alta qualidade criados para integração perfeita em sistemas de áudio personalizados. As peças do microfone condensador unidirecional são projetadas para capturar o som com precisão e oferecer desempenho confiável em uma ampla gama de aplicações. Com décadas de experiência no setor, focamos no fornecimento de produtos que garantem clareza consistente, durabilidade duradoura e excelente qualidade de som, tornando-nos um parceiro de confiança para todas as suas necessidades de componentes de microfone.
Tag: Peças de microfone condensador unidirecional, China UnidireCional Condenser Microfone Fabricantes de peças de microfone, fornecedores, E Aprendendo microfone
Um par de
GrátisO próximo artigo
Microfone eletreto de diafragma grande para transmissãoVocê pode gostar também
Enviar inquérito