Microfone de condensador de eletreto de transmissão ao vivo

Microfone de condensador de eletreto de transmissão ao vivo

O microfone de condensador de transmissão ao vivo do ECM-B250U possui um grande diafragma e design unidirecional, oferecendo qualidade de som superior para criadores de conteúdo. Seja para transmissão ao vivo, podcasting ou KTV, ele captura vocais detalhados e precisos, com excelente resposta de frequência e interferência mínima, tornando -o ideal para ambientes dinâmicos onde a clareza e a confiabilidade são fundamentais.
Enviar inquérito
Introdução de Produto

Projetado especificamente para transmissão ao vivo e aplicações vocais, o ECM-B250U combina um grande diafragma e design unidirecional para fornecer som claro e natural, reduzindo o ruído ambiente. Com uma faixa de frequência de 200Hz a 16kHz e uma capacidade de manuseio de 115dB, ele se destaca em fornecer vocais nítidos e precisos para criadores de conteúdo, emissoras e ambientes KTV. Seu tamanho compacto facilita a integração em vários sistemas de microfones, garantindo áudio profissional de alta qualidade para ambientes dinâmicos, como transmissões ao vivo, podcasts e sessões de karaokê.

 

Características
  • Precisão vocal: Capta áudio natural e nítido com uma sensibilidade de -44 ± 2dB, garantindo que sua voz venha em voz alta e clara para fluxos e gravações profissionais.
  • Amplo espectro de frequência: Com um intervalo de resposta de 200Hz a 16kHz, ele fornece reprodução de som detalhada e precisa para uma variedade de tons vocais.
  • Design unidirecional: Isola a voz do falante do ruído de fundo, garantindo a captura de áudio focada durante transmissões ao vivo, podcasts ou sessões de karaokê.
  • Alto desempenho SPL: Capaz de suportar SPLs até 115dB, essa cápsula mantém sua clareza, mesmo em ambientes mais altos.
  • Baixa auto-ruído: Garante captura de som nítida e limpa com distorção mínima, ideal para criação de conteúdo de alta energia em ritmo acelerado.
  • Durável para uso frequente: Perfeito para transmissão ao vivo, podcasting ou gravação, construída para durar através de uso intensivo regular e intensivo.
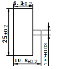
  • Compacto e leve: Em apenas 25 x 6,3 mm, ele se integra facilmente a várias configurações de microfones sem comprometer o desempenho.
  • Compatibilidade versátil: Funciona perfeitamente em uma ampla gama de aplicações, desde estúdios da casa a ambientes de transmissão profissional.

 

Aplicações

Karaoke microphone

broadcast microphone

Cápsula de microfone de desempenho ao vivo

Projetado para clareza vocal no palco, essa cápsula se destaca em capturar as nuances da voz com precisão. Seu padrão unidirecional isola a voz, garantindo um som nítido e limpo, mesmo em ambientes barulhentos, como shows ao vivo ou gravações vocais. Perfeito para performances em que todos os detalhes da voz são essenciais.

Cápsula profissional de transmissão de áudio

ABSULADO PARA PROFISSIONAIS DE BRONDIÇÃO, essa cápsula isola a voz do ruído circundante, fornecendo áudio cristalino, mesmo em ambientes dinâmicos. Ideal para programas de rádio, podcasts ao vivo e transmissões, garante captura de som de alta qualidade e minimizando as distrações do ruído ambiente, tornando-a uma escolha confiável para qualquer configuração de transmissão.

 

especificações

 

Nome Parâmetro
Modelo

ECM-B250U

Sensibilidade

-44±2dB

Impedância de saída

680Ω

Diretividade Unidirecional
Faixa de frequência 200-16 khz
Máximo spl

115dB

Razão S/N.

66dB

Dimensões 25 x 6,3 mm

 

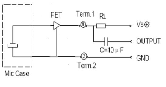
STANDARD TEST CIRCUIT
Circuito de teste padrão
TYPICAL FREQUENCY RESPONSE
Resposta de frequência típica
APPEARANCE & DIMENSION
Aparência e dimensão

 

Por que nos escolher

Somos especializados em fornecer soluções de alto desempenho para transmissão ao vivo, podcasting e transmissão. Nosso microfone de condensador de eletreto de transmissão ao vivo é projetado para fornecer som nítido e claro, com desempenho otimizado para uma variedade de aplicações profissionais. Por meio de técnicas avançadas de fabricação, garantimos a qualidade consistente do produto, mesmo para pedidos em larga escala. Apoiado por nossa rede de distribuição global, garantimos uma entrega rápida e confiável e práticas de produção consciente do meio ambiente. Escolha -nos para obter excelente qualidade de som e desempenho confiável nos ambientes de transmissão mais exigentes.

Tag: Microfone de condensador de eletreto de transmissão ao vivo, fabricantes de microfones de condensador de transmissão ao vivo da China, fornecedores, fornecedores, Microfone de call centermicrofone livre de ecoMicrofone de videoconferênciaMicrofone de fibra ópticamicrofone ultrassônico

Enviar inquérito

whatsapp

Telefone

Email

Inquérito