
Captação de microfone de eletret de condensador de alta sensibilidade
O ECM-B4015AL38RC é um microfone eletreto omnidirecional de alta sensibilidade com uma sensibilidade de -38 ± 2dB e uma faixa de frequência de 50-16 khz, garantindo uma captura sonora clara e detalhada. Com uma impedância de saída de 2,2kΩ e um SPL máximo de 110dB, oferece desempenho confiável, mesmo em ambientes barulhentos. Medindo apenas 4 x 1,5 mm, é ideal para aplicações que requerem pequenos componentes de microfone. Com microfones personalizados de alta qualidade e soldagem paralela de arame eletrônico (10 mm), este microfone se destaca na clareza e estabilidade de som, tornando-a uma escolha superior para designs com restos de espaço que exigem desempenho e durabilidade.
Características
- Alta sensibilidade: Garante captura de som detalhada com uma sensibilidade de-38 ± 2dB, ideal para áudio de nível profissional.
- Pickup de som omnidirecional: As capturas soam uniformemente de todas as direções para uma qualidade consistente.
- Resposta de frequência ampla: Opera entre50-16 khz, cobrindo frequências de som essenciais com clareza.
- Design compacto e versátil: Em apenas4 × 1,5 mm, ele se integra perfeitamente a pequenos dispositivos.
- Clareza de sinal superior: OProporção S/N de 60dBMinimiza o ruído de fundo para saída mais limpa.
- Durabilidade sob pressão: Lida com110db spl, garantindo desempenho confiável em ambientes altos.
Aplicações
|
|
Microfone de fone de ouvido O ECM-B4015AL38RC é perfeito para uso do fone de ouvido com sua captação omnidirecional, garantindo um áudio claro de todas as direções. Seu tamanho compacto permite um desgaste confortável e a longo prazo, enquanto seu alto manuseio de SPL garante desempenho livre de distorção, mesmo em ambientes barulhentos. Ideal para uso dinâmico e ativo, como apresentações ou apresentações ao vivo, combina liberdade de movimento com maior clareza de som. |
Microfone mais lavalerO ECM-B4015AL38RC é uma excelente opção para aplicações Lavalier, oferecendo captura de som omnidirecional para uma qualidade de áudio consistente, estacionária ou em movimento. Seu tamanho pequeno garante uma colocação discreta e fácil de roupas, tornando-o perfeito para entrevistas ou uso na câmera. Com alta manuseio de SPL, ele oferece um som claro em configurações tranquilas e barulhentas, oferecendo portabilidade e áudio de nível profissional. |
especificações
Nome | Parâmetro |
Modelo |
ECM-B4015AL38RC |
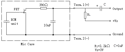
Sensibilidade |
-38 ± 2dB |
Impedância de saída |
2.2kΩ |
Diretividade | Omnidirecional |
Faixa de frequência | 50-16 khz |
Máximo spl |
110dB |
Razão S/N. |
60dB |
Dimensões | 4 x 1,5 mm |
![]() |
![]() |
![]() |
Por que nos escolher
Com décadas de experiência na indústria de componentes de microfone, nos especializamos em fornecer soluções de áudio confiáveis e de alta qualidade, adaptadas às diversas necessidades de nossos clientes. Orgulhamo-nos de nosso artesanato de precisão, usando a tecnologia de ponta para produzir microfones que garantem desempenho consistente, mesmo nas aplicações mais exigentes. Nosso foco em detalhes significa que cada produto sofre testes rigorosos para garantir sua durabilidade e qualidade de som superior. Esteja você projetando eletrônicos de consumo ou sistemas de áudio de nível profissional, nossos componentes são construídos para oferecer a clareza e a confiabilidade com a qual você pode contar. A cada etapa, priorizamos sua satisfação, oferecendo produtos de primeira linha, suporte responsivo e flexibilidade para atender aos seus requisitos específicos.
Tag: Captação de microfone de eletret de condensador de alta sensibilidade, China de alta sensibilidade Condensador Eletret Microp fabricantes, fornecedores, Microfone de fone de ouvidoMicrofone de matrizMicrofone de estúdioMicrofone seminário
O próximo artigo
3015 Microfone condensador com cápsula eletreta com fioVocê pode gostar também
Enviar inquérito