
6027 Microfone de condensador eletreto com fio de solda
O6027 Microfone de condensador eletreto com fio de soldaé projetado para integração perfeita em dispositivos de áudio, onde sensibilidade consistente e tamanho compacto são fundamentais. Com uma ampla resposta de 50 a 20.000Hz e uma sensibilidade de -38 ± 2dB, essa cápsula garante reprodução de som clara e equilibrada. O design omni-direcional captura o som de todas as direções, tornando-o ideal para uso em medidores de decibéis e dispositivos de gravação de voz. O perfil compacto de 6,0 × 2,7 mm e os cabos de arame pré-soldados oferecem uma instalação fácil em espaços apertados ou unidades portáteis, garantindo um desempenho confiável em aplicações de consumidores e industriais.
Características
- Alta sensibilidade: com precisão, brilhantemente registra som -38 ± 2dB.
- Um concerto musical cobre as frequências de 50 a 200 Hz.
- Suas dimensões modestas-6,0 x 2,7 mm-help para ser integrado a vários tipos de instrumentos.
- Uma melhoria de 60dB na relação S/N produz menos ruído de fundo e melhor clareza.
Aplicações
|
|
Módulo de medição de pressão sonoraPerfeito para integração emmedidores de decibéis, esta cápsula do microfone fornece capacidade de resposta acústica consistente em uma ampla faixa de frequência. Sua coleta omnidirecional garante monitoramento preciso do nível de ruído em medidores SPL ambiental, industrial ou de nível de consumo. |
Dispositivo de captura de voz portátilIdeal paradispositivos de gravação de voz, este microfone eletreto captura o som natural com distorção mínima. Seja para ferramentas de ditado, notinadores digitais ou logs de voz portáteis, ele oferece clareza de áudio confiável em eletrônicos compactos. |
especificações
Nome | Parâmetro |
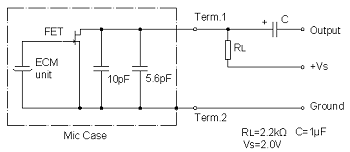
Modelo | ECM-B6027AL38-L80-90 |
Sensibilidade | -38 ± 2dB |
Impedância de saída | 2.2KΩ |
Diretividade |
Omni |
Faixa de frequência | 50-20000HZ |
Máximo spl | 110dB |
Razão S/N. | 60dB |
Dimensões | 6,0*2,7mm |
![]() |
![]() |
![]() |
Por que nos escolher
O6027 Microfone de condensador eletreto com fio de soldaé fabricado com materiais de alta qualidade sob condições de produção bem controladas. Nossa experiência em cápsulas de microfone de chumbo soldada garante estabilidade e confiabilidade a longo prazo, especialmente para marcas que construem sistemas de monitoramento de decibéis ou gravadores de alta precisão. Confiados pelos fabricantes em todo o mundo, priorizamos a facilidade de uso, sensibilidade consistente e construção robusta.
O próximo artigo
GrátisVocê pode gostar também
Enviar inquérito