O microfone elétrico anti-interferência omnidirecional garante desempenho de áudio consistente, capturando o som de todas as direções e minimizando o ruído de fundo e a interferência eletromagnética. Com um fator de forma compacto de 4 x 1,5 mm, ele se integra perfeitamente a aplicativos com limites espaciais, fornecendo qualidade de som confiável para sistemas de comunicação, dispositivos de segurança e vários equipamentos de áudio. Apresentando uma alta relação sinal-ruído e recursos excepcionais de anti-interferência, este microfone é construído para fornecer áudio claro e inteligível em ambientes onde o desempenho é crucial.

Microfone elétrico anti-interferência omnidirecional
Características
- Alta sensibilidade: Captura sons até sutis com uma sensibilidade de-29 ± 3db.
- Captação omnidirecional: Garante 360- coleção de som de grau para obter uma qualidade de áudio consistente.
- Design anti-interferência: Reduz o ruído e a interferência para transmissão de som claro.
- Ampla faixa de frequência: Opera efetivamente entre50-16 khzpara casos de uso versáteis.
- Dimensões compactas: Em apenas4 × 1,5 mm, é ideal para pequenos dispositivos e aplicativos com restrição de espaço.
- Durabilidade: Construído para lidar com110db spl, tornando -o adequado para ambientes altos.
Aplicações
|
|
Microfone de fone de ouvido Projetado para desgaste e confiabilidade contínuos, esse microfone de fone de ouvido fornece áudio nítido e claro, garantindo conforto durante o uso prolongado. Seu padrão de captação unidirecional se concentra apenas na voz do falante, reduzindo o ruído circundante. Perfeito para ambientes dinâmicos, onde o movimento e a interação são fundamentais, como falar em público, apresentações ou ensino, este microfone oferece estabilidade e conforto, permitindo que o usuário se mova livremente sem comprometer a qualidade do som. Ideal para configurações profissionais, ele combina o desempenho com a desgaste duradoura. |
Microfone mais lavalerEste microfone lavalier compacto é adaptado para captura de áudio discreta e de alta qualidade em qualquer configuração. Leve e fácil de prender as roupas, ela permanece discreta enquanto oferece transmissão de voz clara. Com seu design unidirecional, minimiza o ruído ambiente, garantindo que sua mensagem apareça claramente, seja em entrevistas, apresentações ou aparições na câmera. O tamanho pequeno do microfone permite total liberdade de movimento, tornando -a uma solução perfeita para situações em que são necessárias sutilibilidade, flexibilidade e qualidade de áudio superior. |
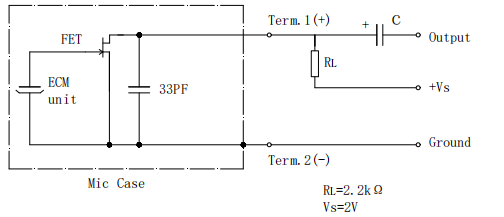
especificações
Nome | Parâmetro |
Modelo |
ECM-B4015AL 29- l |
Sensibilidade |
-29 ± 3db |
Impedância de saída |
2.2kΩ |
Diretividade | Omnidirecional |
Faixa de frequência | 50-16 khz |
Máximo spl |
110dB |
Razão S/N. |
60dB |
Dimensões | 4 x 1,5 mm |
![]() |
![]() |
![]() |
Por que nos escolher
Escolher o microfone elétrico anti-interferência omnidirecional significa trabalhar com um fabricante confiável comprometido com precisão e inovação na tecnologia de microfones. Com anos de experiência na produção de componentes de microfone de alta qualidade, garantimos que cada unidade seja projetada para atender às demandas modernas. Nossas instalações de fabricação avançadas, equipadas com linhas de produção de última geração, garantem desempenho consistente e adesão a padrões rigorosos de qualidade. Oferecemos soluções personalizadas, personalizando projetos e especificações para atender às suas necessidades exclusivas de aplicativos. Seja em ambientes de alto ruído ou configurações propensas a interferências, nossa dedicação à excelência garante que o ECM-B4015AL 29- l entregue desempenho claro e confiável todas as vezes.
Tag: microfone elétrico anti-interferência omnidirecional, China, anti-interferência anti-interferência, fabricantes de microfones elétricos, fornecedores, Microfone para smartphoneLimitador de microfone
O próximo artigo
3015 Microfone condensador com cápsula eletreta com fioVocê pode gostar também
Enviar inquérito