
9745 Microfone IP67 Microfone eletret Microfone
O9745 Microfone IP67 Microfone eletret Microfoneé um componente de áudio de alto desempenho projetado para ambientes que exigem durabilidade sem comprometer a clareza boa. Apresentando uma cápsula OMNI compacta de 9,7 × 4,5 mm, este elemento de microfone eletret fornece uma sensibilidade estável -30dB e uma ampla resposta de frequência de 20 a 5000Hz. Com uma impressionante proporção de sinal / ruído de 74db e uma classificação impermeável IP67 robusta, garante captura de voz consistente, mesmo em condições climáticas desafiadoras ou em condições externas. Seja incorporado em um módulo de microfone Lavalier sem fio ou em uma peça de microfone de fone de ouvido compacto, o9745 Microfone IP67 Microfone eletret Microfonetraz desempenho de áudio confiável e de alta fidelidade.
Características
- A faixa de frequência se estende de 20 a 16.000 Hz, garantindo uma reprodução abrangente de áudio em um amplo espectro.
- -42 ± 2dB garante aquisição precisa de som.
- A diretividade omni-direcional captura consistentemente o áudio de todos os ângulos.
- Esse componente, medindo apenas 3 por 1,5 mm, é ideal para integração em dispositivos compactos.
Aplicações
|
|
Fone de ouvido de comunicação ao ar livre compactoEm fones de ouvido ao ar livre usados por guias turísticos, equipes de segurança ou tesouros de esportes, oMicrofone IP67entrega a entrada de voz cristalina enquanto suporta chuva, suor e poeira. A captação omnidirecional garante a clareza natural da voz, mesmo quando o microfone é posicionado fora do eixo ou integrado discretamente. |
Microfone de clipe pronto para transmissãoPara jornalismo móvel ou uso no palco, esteEletret Microfone elementoPermite a criação de microfones Lavalier de clipe de baixo perfil com alta durabilidade. A vedação IP67 garante oMódulo Mic LavalierContinua funcionando mesmo em ambientes de relatórios úmidos ou empoeirados. |
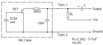
especificações
Nome | Parâmetro |
Modelo | ECM-B9745AL30RC-IP67 |
Sensibilidade | -30 ± 2dB |
Impedância de saída | 2.2KΩ |
Diretividade |
Omni |
Faixa de frequência | 20-5000Hz |
Máximo spl | 110dB |
Razão S/N. | 74dB |
Dimensões | 9,7*4,5 mm |
![]() |
![]() |
![]() |
Por que nos escolher
Somos especializados em fabricaçãoComponentes de microfone impermeável com classificação IP67com rigoroso controle de qualidade em linha e sistemas de produção automatizados. Nossa principal força está em nossoconsistência e confiabilidade sob condições ambientais extremas, dando a você a paz de espírito se sua inscrição está dentro de casa ou ao ar livre. De profissionais de mídia a usuários de serviço público, nossas soluções de microfones eletret oferecem desempenho digno de confiança.
O próximo artigo
9750 Microfone omnidirecional CoreVocê pode gostar também
Enviar inquérito